IWISTAO
Hi-Fi Knowledge Base
199 articles organized across 10 categories. Updated automatically as new posts are published.
Tube Amplifier
58
The History of HiFi Audio: A Journey Through Sonic Excellence
OPT vs. OTL: The Two Defining Philosophies in Hi-Fi Tube Amplifiers
12AX7 vs 12AX7B: What’s the Difference—and Which One Is Better for Hi-Fi Audio?
ECL86 (6GW8) Vacuum Tube: The Complete Guide for Hi-Fi Builders
A Tale of Two Rectifiers: A Deep Dive into the 6X5GT and 6Z5P Vacuum Tubes
The 3A5 Tube Line Preamplifier
My LS3/5A Journey
EL34 Bias Adjustment Guide (SE and PP)
LS3/5A and Tube Amplifiers: A Practical Matching Experience
Grounding Design for EL34 Single-Ended Tube Amplifiers
DIY Tube Amplifier Testing and Adjustment --A Practical Engineering Guide
Overshoot and Ringing in Tube Amplifiers--Causes, Detection (Square-Wave Test), and Practical Adjustment Methods
Understanding Output Waveform Distortion in Tube Amplifiers
A Comprehensive Guide to Audio Power Amplifier Design
The Enduring Legacy of the 1969 JLH Class A Amplifier
Unwinding the Mystery: Why Inner Transformer Windings Have Lower DC Resistance
How to Choose the Right Capacitors in Hi-Fi Audio Equipment to Optimize Sound Quality
Harnessing the Power: Inside the Secrets of Tube Amp Transformer Shielding
The Secret Weapon: Why the Output Transformer Matters in Your Tube Headphone Amp
The Enduring Glow: A Look at Vacuum Tube Rectifiers
In our sleek, digital world of microchips and instant connectivity, the soft, amber glow of a vac...
The 6P1 Vacuum Tube: A Vintage Gem for Small Power Amplifiers
The Titans of Tone: A Comparative Guide to 211, 845, 813, and 811 Vacuum Tubes
In the world of high-fidelity audio, few components command as much reverence and mystique as lar...
The Ultimate Upgrade? Exploring Amorphous C-Core Output Transformers for the 300B Tube Amp
A 300B tube in a classic SE Class A circuit constantly draws a significant amount of DC current t...
The 833 (FU33) Vacuum Tube in High-Fidelity Amplifiers
Although originally an RF tube, the 833 has been embraced by audiophiles for its majestic and ful...
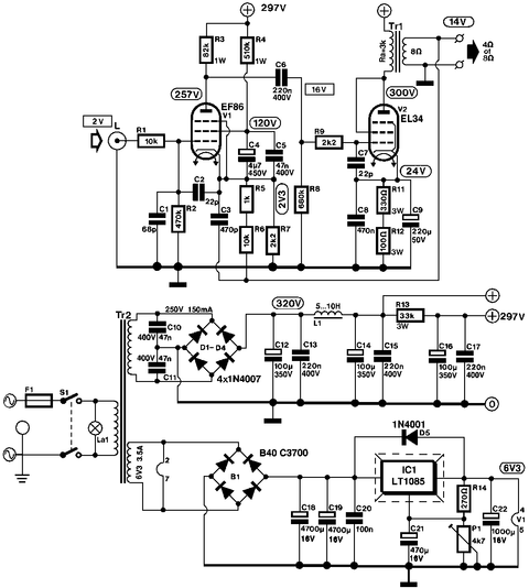
Building a 6SL7-Driven EL34 Single-Ended Amplifier: A Deep Dive into Classic Tube Tone
This article explores the design of a classic SE amplifier, pairing two legendary tubes: the 6SL7...
A DIY Guide: Building a Power Transformer for an EL34B Push-Pull Tube Amplifier
This article provides a comprehensive, step-by-step guide for the advanced DIY audio enthusiast o...
The Matisse Tube Preamplifier: A Deep Dive into a Hi-Fi Legend
Marantz M7: The Legendary Tube Preamplifier That Defined an Era
In the pantheon of high-fidelity audio, some components are more than just electronics. They are ...
The Heart of Harmony: A Deep Dive into Push-Pull Output Transformers
The Sound of Power: A Deep Dive into Triode vs. Ultralinear Tube Amp Outputs
Before we can compare Triode and Ultralinear operation, it's essential to understand the componen...
Can the 6P15E Replace the 6P14 (EL84)? A Detailed Comparison
For audio enthusiasts and DIY amplifier builders, the question often arises: can the Russian 6P15...
The Heart of Push-Pull Power: Understanding Output Transformer Wiring
If you've ever delved into the world of tube amplifiers, you've likely heard the term "push-pull"...
More Than a Tube: Why Audio Note's 300B Amps Are an Audiophile Cult
Vacuum Tube FU29 Push-Pull Tube Amplifier: A Deep Dive into Vacuum Tube Audio
The Role of Choke Coils in Tube Amplifiers
Analysis of the Advantages and Disadvantages of Using ED Double C-Type Transformer Cores for Transformers in Tube Amplifiers
Rediscovering Golden Age Sound: IWISTAO FU29 Tube Amplifier
Exploring the 6P14 Single - Ended Amplifier Circuit
The 6P14 is a pentode vacuum tube widely used in audio amplifier circuits. It is known for its re...
Unlocking Superior Audio: The 4-Over-3 Winding Method for Tube Amplifier Output Transformers
Learn how the 4-over-3 winding method improves tube amplifier output transformers with higher eff...
The Best of Both Worlds: Hybrid Amplifiers with Tube Preamps and Transistor Power Stages
In the world of high-fidelity audio, enthusiasts are constantly in search of the perfect balance ...
Nobody but you from IWISTAO HIFI 4 Inch Full Range Labyrinth Speaker
Nobody but you! The warm man's song is from IWISTAO HIFI 4 Inch Full Range Labyrinth Speaker plu...
California hotel from IWISTAO HIFI M6.5 labyrinth speaker + 300B Tube Amplifier
The Cantonese song "The Love Riverside" from 300B tube power amplifier + CD player + passive preamplifier + IWISTAO 6.5 inches full range labyrinth speaker
Bluetooth 5.0 Decoder + Mono FU50 Single-ended Tube Amplifier + HIFI 3 Inch Full Range Speaker
The Video is for a Bluetooth 5.0 Decoder + 2pcs Mono FU50 Single-ended Tube Amplifier + HIFI 3 In...
Vacuum Tube Selection
When selecting an electronic tube, we should determine the appropriate tube type according to the...
IWISTAO FU50 Small 300B 2x8W Vacuum Tube Amplifier Finished Board Kit Single-ended Class A DIY Free Tuning
Vacuum tube FU50 is known as the small 300B and close to tube 300B, but the price is much lower t...
What is B, P, G for tube amplifier output transformer?
The primary of tube amplifier output transformer generally has two, three and five connection ter...
Video Demo: 2x25W 845 Vacuum Tube Amplifier 300B Drive 845 Single-end Class A 6SN7 Preamp Scaffolding
The amplifier is adhering to the consistent concept, simple and atmospheric overall design, stabl...
Perfect Matched--- IWISTAO Single-ended Class A Tube Amplifier + CSR8670 Bluetooth4.0 Decoder Stereo 32bit DAC
Natural, warm and soft sound from this perfect matched, it is very convenient to play lossless mu...
Parallel Single-ended Class A 6P1 Tube Amplifier
For tube amplifier with parallel connected by 2 pcs 6P1 tubes, the internal resistance of output ...
Output Transformer -- Key components of Tube Amplifier
Output transformer used in HIFI tube amplifier is a key component in high-fidelity audio equipmen...
IWISTAO Tube FM Tuner + 6P1 Tube Amplifier
It is a finished tube FM tuner, whose tubes have been located on the same board, so it looks comp...
Mini 2x3.5W IWISTAO Tube Amplifier with Bluetooth 4.2 Technology
Tube amplifer combines wireless Bluetooth technology is new trend, especially, combines the lat...
Why do audiophiles like class A tube amplifier?
Single-ended tube output circuits are used in both audio and instrument amplification. There is l...
History of Tube Amplifier
Tube amplified sound is generally considered to be superior and preferable to transistor amplifie...
Why do more audiophiles like class A tube amplifier?
Audio amplifiers in mass production typically use an integrated circuit to amplify the audio sign...
Mini HIFI Bluetooth Hybrid Tube Amplifier with Tube 6N1 Preamp
It let you be easy to play Bluetooth wireless music with wireless smart terminal equipped, and en...
Tube Preamplifier
19
12AX7 vs 12AX7B: What’s the Difference—and Which One Is Better for Hi-Fi Audio?
The 3A5 Tube Line Preamplifier
Design and Analysis of a 6N3 Tube Preamplifier with Tone Control
Vacuum tube preamplifiers are prized for their warm, rich sound and have been used in audio syste...
The Matisse Tube Preamplifier: A Deep Dive into a Hi-Fi Legend
Beyond the Pure Signal: Rediscovering the Joy of Preamps with Tone Controls
Marantz M7: The Legendary Tube Preamplifier That Defined an Era
In the pantheon of high-fidelity audio, some components are more than just electronics. They are ...
The 6J1 Tube Preamp: A Deep Dive into the Cult Classic of DIY Audio
The Unsung Hero: Demystifying the Passive Preamplifier
The Application of R-Type Power Transformers in High-End Audio Systems
Tube Buffer Preamplifiers: Understanding the Classic Audio Technology
The Best of Both Worlds: Hybrid Amplifiers with Tube Preamps and Transistor Power Stages
In the world of high-fidelity audio, enthusiasts are constantly in search of the perfect balance ...
The Cantonese song "The Love Riverside" from 300B tube power amplifier + CD player + passive preamplifier + IWISTAO 6.5 inches full range labyrinth speaker
Video Demo: IWISTAO Tube Buffer with Voltage Amplified Tube 6J1 Pre-amplifier Adopt Processing Cathode Output Circuit
It is a tube buffer for those digital signal like as CD, MP3 player, and your smart phone, that a...
Video Demo: IWISTAO HIFI Preamplifier Tone Adjustment Bass Tremble Middle Plus Mini Tube Hybrid Amplifier
There are a video Demo for IWISTAO HIFI Preamplifier Tone Adjustment Bass Tremble Middle Plus Min...
Effect of Tube Buffer Preamplifier
And there is one type preamplifier, we call it as tube buffer that is no gain, input and output s...
IWISTAO Tube FM Radio with FM Super-regenerative Handmade Nostalgia Radio 6J1 + FU-25
This tube radio has two tubes, which adopt super-regenerative mode to receive FM radio signals. H...
Video Demo: IWISTAO Tube Preamplifier Matisse Circuit 2x6N3 PMMA Casing Black Piano Paint Musical Flavor HIFI
It is known as musical flavor for Matisse tube preamplifier, its sound quality is warm and transp...
Learn more about phono stage amplifier
Phono amplifier is designed for a phono signal amplification while using Turntables amplifier in...
What Is a Phono Stage Pre-Amplifier?
Playing vinyl records isn't as easy as it was back in the day, while MP3 and CD formats dominate ...
Empty Speaker Cabinet
31
From By Feel to By Formula: The Legends Who Transformed the Speaker World
LS3/5A Cabinet Acoustic Damping: Application, Engineering and Listening Notes
Designing a 40 Hz Transmission Line Loudspeaker
Professional Guide to Sealed Loudspeaker Enclosure Design -- Data and Chart Based Method (Part 2)
Taming Speaker Resonance: The Engineering Behind Crystal-Clear Audio
Professional Guide to Sealed Loudspeaker Enclosure Design -- Data and Chart Based Method (Part 1)
Beyond the Sound: Why Wood Wax Oil is the Unsung Hero of Speaker Enclosures
Understanding Key Loudspeaker Parameters(5): Equivalent Compliance Volume (Vas)--The Air Spring Effect
Resonance Characteristics Analysis and Formula Derivation in Loudspeaker Design
The Invisible Upgrade: Why Speaker Stuffing Matters
Ever listened to a speaker that just sounded... wrong? A bit hollow, a touch muddy, as if the sin...
From Specs to Sound: A DIY Guide to Designing the Perfect Sealed Speaker Enclosure
There is a unique and profound satisfaction that comes from creating something with your own hand...
Mastering the Build: How to Design a Bass-Reflex Speaker for Your Full-Range Driver
Beyond the Box: My Journey into IWISTAO's Transmission Line Speakers
The Allure of Open Baffle Speakers: A Return to the Essence of Sound
Understanding Transmission Line Speakers: Theory, Design, and Applications
Looking for the Perfect 8-inch Speaker Enclosure for Your DIY Project?
Design Principles of 2-Way Phase-Inverted Loudspeakers
The Enduring Legacy of the LS3/5A Speaker: A DIY Guide
How to DIY your own LS3/5A speaker? The LS3/5A, a compact studio monitor revered by audiophiles...
Subwoofer Setup Guide: Placement, Crossover, and Tuning Tips for Perfect Bass
Learn the correct way to set up your subwoofer. From crossover points and volume levels to placem...
Craft Your Dream Sound: IWISTAO's DIY Bookshelf Speaker Cabinets
Craft Your Dream Sound: IWISTAO's DIY Bookshelf Speaker Cabinets Looking to build your own high-...
Video Demo --- IWISTAO 2 Way 6.5 Inch Labyrinth Empty Speaker Cabinet Enclosure 1 Pair Varnished Panel 7-shaped Structure Insider
This empty speaker cabinet adopts a unique 7-shaped labyrinth structure inside, its plate is made...
Nobody but you from IWISTAO HIFI 4 Inch Full Range Labyrinth Speaker
Nobody but you! The warm man's song is from IWISTAO HIFI 4 Inch Full Range Labyrinth Speaker plu...
How to drill the holes for IWISTAO Empty Speaker Cabinets
DIY IWISTAO HIFI 5 Inch Full Range Speaker Unit Labyrinth Cabinet Kit
Diyer said that it is easy to assemble it, you may fix the boards with screws and nuts after coa...
California hotel from IWISTAO HIFI M6.5 labyrinth speaker + 300B Tube Amplifier
The Cantonese song "The Love Riverside" from 300B tube power amplifier + CD player + passive preamplifier + IWISTAO 6.5 inches full range labyrinth speaker
Review of IWISTAO WHFSC-FR565WLC-6.5 Speaker cabinets with MARK HI-FI 6.5” Metal Cone Drivers
DIY Labyrinth Speaker with IWISTAO cabinets from Pioneer PE12 monster alnico
This video is made by a real audiophile, who used a pair IWISTAO Labyrinth Empty Cabinet and his ...
How to DIY your full range labyrinth speakers
Now, the 2 to 4 inches oak full range labyrinth speaker cabinet hit the market now. You just need...
Beautiful Enclosure and Wonderful Sound form IWISTAO HIFI 4 Inches Full Range Speaker Monitor
Listen to the sound is far wider sound field, better resolution, better layer structured. We are ...
The Song of California Hotel came from so small enclosure with powerful bass
The song of California Hotel came from so small enclosure with powerful bass, so amazing...
HiFi Speaker
48
Principles and Design Analysis of Electroacoustic Conversion in Moving-Coil Loudspeakers
The History of HiFi Audio: A Journey Through Sonic Excellence
From By Feel to By Formula: The Legends Who Transformed the Speaker World
AWG × Audio Applications: A Practical Wire Gauge Reference for Hi-Fi and Loudspeaker Design
LS3/5A Crossover Network Analysis: The Evolution of 15Ω and 11Ω Circuit Design
LS3/5A Cabinet Acoustic Damping: Application, Engineering and Listening Notes
My LS3/5A Journey
LS3/5A and Tube Amplifiers: A Practical Matching Experience
The Ultimate Guide to Subwoofer Port Tuning for Deep, Powerful Bass
Designing a 40 Hz Transmission Line Loudspeaker
Unlocking Sonic Brilliance: Integrating Brass Horn Super Tweeters into Your Hi-Fi System
Elevate your audio experience with brass horn super tweeters. This comprehensive guide explores i...
Professional Guide to Sealed Loudspeaker Enclosure Design -- Data and Chart Based Method (Part 2)
Taming Speaker Resonance: The Engineering Behind Crystal-Clear Audio
Beyond the Boom: The Ultimate Guide to Car Subwoofers
How to assemble super tweeter with 5 inch long brass horn
Professional Guide to Sealed Loudspeaker Enclosure Design -- Data and Chart Based Method (Part 1)
How to Read a Polar Pattern of Loudspeaker Directivity
Understanding Key Loudspeaker Parameters(17): Loudspeaker Directivity
Understanding Key Loudspeaker Parameters(16): Effective Frequency Range in Loudspeakers
Understanding Key Loudspeaker Parameters(15): Rated Maximum Sine Wave Power in Loudspeakers
Understanding Key Loudspeaker Parameters(14): Loudspeaker Sensitivity (Characteristic Sensitivity)
Understanding Key Loudspeaker Parameters(13): Mechanical Compliance (Cms) in Loudspeakers
Understanding Key Loudspeaker Parameters(12): Electrical Q Factor (Qes)--The Amplifier’s Influence on Performance
Understanding Key Loudspeaker Parameters(11): Mechanical Q Factor (Qms)--How Suspension Controls Motion
Understanding Key Loudspeaker Parameters(7):Equivalent Moving Mass (Mo/Mms)-The Role of Inertia in Speaker Response
Understanding Key Loudspeaker Parameters(9): Force Factor (Bl) in Loudspeakers
Understanding Key Loudspeaker Parameters(8): Effective Piston Area (Sd)--The Relationship Between Cone Size and Output
Understanding Key Loudspeaker Parameters(6): Effective Diaphragm Diameter (Din)-The Relationship Between Cone Size and Output
Understanding Key Loudspeaker Parameters(5): Equivalent Compliance Volume (Vas)--The Air Spring Effect
Understanding Key Loudspeaker Parameters(4): Total Q Factor (Qts)--The Balance Between Damping and Efficiency
Understanding Key Loudspeaker Parameters(3): Resonant Frequency (fo)--The Heartbeat of a Loudspeaker
How to Choose the Right Capacitors in Hi-Fi Audio Equipment to Optimize Sound Quality
Understanding Key Loudspeaker Parameters (2): Voice Coil DC Resistance (Re)--The True Electrical Load
Understanding Key Loudspeaker Parameters (1)-- Nominal Impedance (Zn): The Foundation of Speaker Matching
Understanding Key Loudspeaker Parameters(10): Maximum Linear Excursion( Xma-- What It Means for Speaker Performance
Understanding Different Types of Loudspeaker Drivers
Resonance Characteristics Analysis and Formula Derivation in Loudspeaker Design
From Specs to Sound: A DIY Guide to Designing the Perfect Sealed Speaker Enclosure
There is a unique and profound satisfaction that comes from creating something with your own hand...
Design Principles of 2-Way Phase-Inverted Loudspeakers
Speaker Crossover Design: Principles and Practice
The journey to high-fidelity sound from a multi-driver loudspeaker system invariably leads to a c...
The Manufacturing Process of a Speaker Driver
The speaker driver is the core of any audio system, responsible for turning electrical signals in...
The Enduring Legacy of the LS3/5A Speaker: A DIY Guide
How to DIY your own LS3/5A speaker? The LS3/5A, a compact studio monitor revered by audiophiles...
Subwoofer Setup Guide: Placement, Crossover, and Tuning Tips for Perfect Bass
Learn the correct way to set up your subwoofer. From crossover points and volume levels to placem...
How to connect the wires between adjustable crossover and full range speaker
Some audiophiles asked us about the wires connection between IWISTAO adjustable crossover and ful...
Feel the Bass: Why You Need a Subwoofer for a Richer Audio Experience
A subwoofer, also known as a sub, is a loudspeaker specifically designed to reproduce low-frequen...
Why some audiophiles like to choose electronic crossover?
Why some audiophiles like to choose electronic crossover, you may look at the following reasons....
DIY IWISTAO HIFI 5 Inch Full Range Speaker Unit Labyrinth Cabinet Kit
Diyer said that it is easy to assemble it, you may fix the boards with screws and nuts after coa...
How Speaker Unit Works
Speaker unit (also called loudspeakers unit ) push and pull surrounding air molecules in waves th...
Output Transformer
22
Single-Ended Output Transformers Core Size, DC Bias, and the Art of the Air Gap
OPT vs. OTL: The Two Defining Philosophies in Hi-Fi Tube Amplifiers
ECL86 (6GW8) Vacuum Tube: The Complete Guide for Hi-Fi Builders
Solving Standing Waves with Acoustic Optimization Panels
LS3/5A Cabinet Acoustic Damping: Application, Engineering and Listening Notes
Overshoot and Ringing in Tube Amplifiers--Causes, Detection (Square-Wave Test), and Practical Adjustment Methods
The Ultimate Guide to Subwoofer Port Tuning for Deep, Powerful Bass
How to Choose the Right Capacitors in Hi-Fi Audio Equipment to Optimize Sound Quality
The Secret Weapon: Why the Output Transformer Matters in Your Tube Headphone Amp
The Toroidal Transformer: The Heartbeat of High-Fidelity Amplifiers
The Ultimate Upgrade? Exploring Amorphous C-Core Output Transformers for the 300B Tube Amp
A 300B tube in a classic SE Class A circuit constantly draws a significant amount of DC current t...
Building a 6SL7-Driven EL34 Single-Ended Amplifier: A Deep Dive into Classic Tube Tone
This article explores the design of a classic SE amplifier, pairing two legendary tubes: the 6SL7...
A DIY Guide: Building a Power Transformer for an EL34B Push-Pull Tube Amplifier
This article provides a comprehensive, step-by-step guide for the advanced DIY audio enthusiast o...
The Heart of Harmony: A Deep Dive into Push-Pull Output Transformers
The Heart of Push-Pull Power: Understanding Output Transformer Wiring
If you've ever delved into the world of tube amplifiers, you've likely heard the term "push-pull"...
Unlocking Superior Audio: The 4-Over-3 Winding Method for Tube Amplifier Output Transformers
Learn how the 4-over-3 winding method improves tube amplifier output transformers with higher eff...
California hotel from IWISTAO HIFI M6.5 labyrinth speaker + 300B Tube Amplifier
What is B, P, G for tube amplifier output transformer?
The primary of tube amplifier output transformer generally has two, three and five connection ter...
How to Connect Wires for Output Transformer with Ultra-Linear Tap
Here is a wire connection diagram for IWISTAO 100w pull-push output transformer below, only for y...
Related sizes and installation of IWISTAO Output Transformer
Many customers ask us about the sizes for installation, here we provide a table for you informati...
Video Demo: IWISTAO Tube Buffer with Voltage Amplified Tube 6J1 Pre-amplifier Adopt Processing Cathode Output Circuit
It is a tube buffer for those digital signal like as CD, MP3 player, and your smart phone, that a...
Output Transformer -- Key components of Tube Amplifier
Output transformer used in HIFI tube amplifier is a key component in high-fidelity audio equipmen...
DIY Project
40
Principles and Design Analysis of Electroacoustic Conversion in Moving-Coil Loudspeakers
ECL86 (6GW8) Vacuum Tube: The Complete Guide for Hi-Fi Builders
A Tale of Two Rectifiers: A Deep Dive into the 6X5GT and 6Z5P Vacuum Tubes
The 3A5 Tube Line Preamplifier
Grounding Design for EL34 Single-Ended Tube Amplifiers
DIY Tube Amplifier Testing and Adjustment --A Practical Engineering Guide
A Comprehensive Guide to Audio Power Amplifier Design
The Enduring Legacy of the 1969 JLH Class A Amplifier
Building a High-Performance FM Tuner: A Deep Dive into a Classic IC-Based Design
The Ultimate Guide to Subwoofer Port Tuning for Deep, Powerful Bass
Designing a 40 Hz Transmission Line Loudspeaker
How to assemble super tweeter with 5 inch long brass horn
Mastering Room Acoustics: How to Eliminate Standing Waves Without Breaking the Bank
The Enduring Legend of the TDA1514A: Why This 90s Hi-Fi Chip Still Rocks
Building a High-Fidelity Bluetooth Audio Decoder: A Deep Dive into the QCC5125 and AK4493
Building a 6SL7-Driven EL34 Single-Ended Amplifier: A Deep Dive into Classic Tube Tone
This article explores the design of a classic SE amplifier, pairing two legendary tubes: the 6SL7...
A DIY Guide: Building a Power Transformer for an EL34B Push-Pull Tube Amplifier
This article provides a comprehensive, step-by-step guide for the advanced DIY audio enthusiast o...
Understanding TPA3116: The Complete Guide to the Tiny Giant of Class D Audio
Have you ever wondered how a device smaller than a deck of cards can fill a room with powerful, c...
From Specs to Sound: A DIY Guide to Designing the Perfect Sealed Speaker Enclosure
There is a unique and profound satisfaction that comes from creating something with your own hand...
Building a Vintage Sound Power Amp with the 3AD56 Germanium Transistor
The 6J1 Tube Preamp: A Deep Dive into the Cult Classic of DIY Audio
Can the 6P15E Replace the 6P14 (EL84)? A Detailed Comparison
For audio enthusiasts and DIY amplifier builders, the question often arises: can the Russian 6P15...
Mastering the Build: How to Design a Bass-Reflex Speaker for Your Full-Range Driver
The Allure of Open Baffle Speakers: A Return to the Essence of Sound
Looking for the Perfect 8-inch Speaker Enclosure for Your DIY Project?
Design Principles of 2-Way Phase-Inverted Loudspeakers
LM1875 vs. TDA2030A Power Amplifier Boards: A Straightforward Comparison for DIY Audio Enthusiasts
The Enduring Legacy of the LS3/5A Speaker: A DIY Guide
How to DIY your own LS3/5A speaker? The LS3/5A, a compact studio monitor revered by audiophiles...
Craft Your Dream Sound: IWISTAO's DIY Bookshelf Speaker Cabinets
Craft Your Dream Sound: IWISTAO's DIY Bookshelf Speaker Cabinets Looking to build your own high-...
Nobody but you from IWISTAO HIFI 4 Inch Full Range Labyrinth Speaker
Nobody but you! The warm man's song is from IWISTAO HIFI 4 Inch Full Range Labyrinth Speaker plu...
How to drill the holes for IWISTAO Empty Speaker Cabinets
DIY IWISTAO HIFI 5 Inch Full Range Speaker Unit Labyrinth Cabinet Kit
Diyer said that it is easy to assemble it, you may fix the boards with screws and nuts after coa...
California hotel from IWISTAO HIFI M6.5 labyrinth speaker + 300B Tube Amplifier
The Cantonese song "The Love Riverside" from 300B tube power amplifier + CD player + passive preamplifier + IWISTAO 6.5 inches full range labyrinth speaker
Review of IWISTAO WHFSC-FR565WLC-6.5 Speaker cabinets with MARK HI-FI 6.5” Metal Cone Drivers
DIY Labyrinth Speaker with IWISTAO cabinets from Pioneer PE12 monster alnico
This video is made by a real audiophile, who used a pair IWISTAO Labyrinth Empty Cabinet and his ...
How to DIY your full range labyrinth speakers
Now, the 2 to 4 inches oak full range labyrinth speaker cabinet hit the market now. You just need...
How to DIY Your Speaker Interconnection Cable
Select your need cable and define its cross section and length.If there is a large current from y...
IWISTAO FU50 Small 300B 2x8W Vacuum Tube Amplifier Finished Board Kit Single-ended Class A DIY Free Tuning
Vacuum tube FU50 is known as the small 300B and close to tube 300B, but the price is much lower t...
How to DIY Your Shielded RCA Interconnect Cables
These "better DIY RCA interconnects" are unbalanced and made using shielded instrument cable and ...
Radio
18
Software Defined Radio (SDR): A Complete Practical Guide to I/Q Sampling, Portable SDR Receivers, Antennas, and Real-World Shortwave Listening
MLA-30 Loop Antenna Setup: Why Installation Matters More Than Most Beginners Realize
How to Improve Shortwave Reception on the Malahit DSP SDR V3
Radio and the Emergence of a Synchronized World
Building a High-Performance FM Tuner: A Deep Dive into a Classic IC-Based Design
The Enduring Glow: A Look at Vacuum Tube Rectifiers
In our sleek, digital world of microchips and instant connectivity, the soft, amber glow of a vac...
The 6P1 Vacuum Tube: A Vintage Gem for Small Power Amplifiers
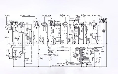
Waves Through Time: A Deep Dive into the Inner Workings of the Classic "Red Light 711" Tube Radio
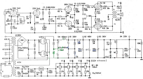
The Heartbeat of Vintage Sound: Unveiling IF Transformers in Vacuum Tube FM Radios
A Brief History of Radio Technology: From Crystal Sets to DSP Receivers
Tuning the 10.7MHz Intermediate Frequency in Vacuum Tube FM Radios
A crucial step in tuning vacuum tube FM radios is adjusting the 10.7MHz intermediate frequency (I...
Circuit Diagram of IWISTAO FM Single Decoding Board Mono to Stereo LA3401 Connect to IF Amplifier
We've heard our customer's requests, and we're happy to announce that the circuit diagram for the...
7 In 1 Classic Vintage Gramophone Vinyl Record Vintage CD Player Retro FM Radio Bluetooth Speaker
7 In 1 Classic Vintage Gramophone Vinyl Record Vintage CD Player Retro FM Radio Bluetooth Speaker
IWISTAO Tube FM Tuner + 6P1 Tube Amplifier
It is a finished tube FM tuner, whose tubes have been located on the same board, so it looks comp...
WIFI Radio Internet Web FM Radios 5W RMS Color Screen Clock and Alarm Wooden Casing
Hundreds of preset stations available, you can listen radio worldwide from it.
Sweat and Mellow Sound from IWISTAO Tube FM Radio Built-in 6P1 Power Amplifier
The tube FM radio used tube 6N3 as a high-level and mixing, tube 6C11 as the unit local oscillat...
IWISTAO Tube FM Radio with FM Super-regenerative Handmade Nostalgia Radio 6J1 + FU-25
This tube radio has two tubes, which adopt super-regenerative mode to receive FM radio signals. H...
IWISTAO Tube FM Radio Tuner Board with Frequency Display
This tube FM radio head adopted tube 6C11, and its rectifier adopted tube 6Z4. Its signal recepti...
Choke Coil
1Power Transformer
10
ECL86 (6GW8) Vacuum Tube: The Complete Guide for Hi-Fi Builders
A Tale of Two Rectifiers: A Deep Dive into the 6X5GT and 6Z5P Vacuum Tubes
Clean Power, Pure Sound: Choosing the Right Rectifier and Filter for Your Hi-Fi Amp
Unwinding the Mystery: Why Inner Transformer Windings Have Lower DC Resistance
How to Choose the Right Capacitors in Hi-Fi Audio Equipment to Optimize Sound Quality
Beyond the Music: Unlocking Sonic Purity with Linear Power Supplies
The Toroidal Transformer: The Heartbeat of High-Fidelity Amplifiers
The Enduring Glow: A Look at Vacuum Tube Rectifiers
In our sleek, digital world of microchips and instant connectivity, the soft, amber glow of a vac...
A DIY Guide: Building a Power Transformer for an EL34B Push-Pull Tube Amplifier
This article provides a comprehensive, step-by-step guide for the advanced DIY audio enthusiast o...
The Application of R-Type Power Transformers in High-End Audio Systems
HiFi Cable
11
AWG × Audio Applications: A Practical Wire Gauge Reference for Hi-Fi and Loudspeaker Design
Decoding the Current: A Comprehensive Guide to Speaker Cables
The Ultimate Guide to Essential Audio Cables: 3.5mm, XLR, and TRS Connections
The Role of 75-Ohm Coaxial Cable in Hi-Fi Audio Systems
A Complete Guide to Common Audio Cables: From Studio Essentials to Hi‑Fi Applications
Understanding the Differences Between Speaker Cable, Audio Cable, and Microphone Cable
Discover the key differences between speaker cables, audio cables, and microphone cables. Learn a...
How to Choose the Right Speaker Cables: A Comprehensive Guide
HiFi XLR Cable Explained: The Audiophile’s Guide to Balanced Audio
When it comes to high-fidelity (HiFi) audio systems and professional recording environments, cabl...
How to DIY Your Speaker Interconnection Cable
Select your need cable and define its cross section and length.If there is a large current from y...
What is a HIFI Interconnection RCA Audio Cable?
Gennally, a HIFI interconnection RCA cable is made of 2 pcs pure copper RCA connecters which are ...
How to DIY Your Shielded RCA Interconnect Cables
These "better DIY RCA interconnects" are unbalanced and made using shielded instrument cable and ...
Others
33
The Heart of Your Sound System: A Deep Dive into Speaker Cones
A Guide to Power Amplifier Distortion and Mitigation Techniques
A Comprehensive Guide to Microphones: Dynamic, Condenser, and Ribbon
The Magic Mouse Dock: An Essential Fix for Apple's Flawed Beauty
From Clicks to Crescendos: Your Ultimate Guide to Hi-Fi Streaming
Your playback software and the protocol it uses matter. For the ultimate experience, many audioph...
The Allure of the Hyperbolic Horn: A Deep Dive into Acoustic Excellence
The Charm of Hyperbolic Wooden Horns: A Deep Dive into Design and Sound
In the world of high‑fidelity audio, horn speakers hold a special place. Their unique shapes are ...
The Workhorse and the Virtuoso: A Tale of Two Op-Amps, TL084 vs. OPA2604
A Brief History of the Vacuum Tube: The Glowing Heart of Early Electronics
Enhancing Audio with an External High-Frequency Wood Horn: The Perfect Companion for Full-Range and Mid-bass speaker Speakers
Unleash Audiophile Passion with IWISTAO LM1875 Exceptional Amplifier
Michael Jackson's iconic song "Bad" from IWISTAO HIFI Power Amplifier 80Wx2 Stereo NAP140
Brief of Vacuum Tube Models and Replacement
The blog collects some tube models and give them a brief, also you can do a simple replacement, ...
How Vacuum Tube 6E2 Connect with IWISTAO Tube FM Board
It will be beautiful if a Cat-eye(vacuum tube 6E2) is installed into our IWISTAO tube FM tuner. ...
How to measure and calculate output power of power amplifier
There are three output powers commonly used, rated output power, maximum output power and music p...
General Power and Size for IWISTAO Dedicated HIFI Toroidal Transformer
Here, it is a table General Power and Size for IWISTAO Dedicated HIFI Toroidal Transformer.
Vidie Demo: HIFI CD Player Plus IWISTAO HIFI MINI Tube Hybrid Amplifier Bluetooth 4.0
This is a HIFI CD player, and product quality is reliable and very stable, durable, good effect. ...
How to make the solid wood Bluetooth Speaker by manual
If you are tired the Bluetooth speaker by mass production and want to find a unique Bluetooth spe...
Relationship Between Audio System & Hearing Sense
In general, sound frequency of human sense of hearing is from 20Hz to 20 KHz including the human ...
IWISTAO HIFI Pure Tube Earphone Amplifier with Black Voice 6N3 SRPP Drive 6N5P 32- 600 Ohms
The sound is grand and magnificent, open and wide; performance of each frequency point perfect! I...
Bluetooth Audio Decoder with Hardware Decoding
The greatest feature of Bluetooth audio decoder or Bluetooth audio amplifier is that give up trad...
IWISTAO HIFI 2 Inches 2X10W Full Range Speaker Wooden Labyrinth Structure Cabinet
This speaker completely overthrew the concept of speaker-making, speaker adopted Labyrinth cabine...
A Video of IWISTAO HIFI Bluetooth 4.2 Decoder Stereo CSR64215 DAC ES9023 Hardware Decoding APT-X CD
A Video of IWISTAO HIFI Bluetooth 4.2 Decoder Stereo CSR64215 DAC ES9023 Hardware Decoding APT-X ...
What is Ture Wireless Stereo?
It is connected with the main speaker through smartphone, and then the main speakers connect s wi...
Digital Audio Broadcasting with CD quality sound
DAB is the third generation broadcasting after conventional AM, FM analog broadcasting .DAB is sh...
Typical setup for a USB DAC system
A typical setup for a USB DAC system is shown above. We have two Firewire disks for our library (...
How to handle unbalance for left and right channel of your HIFI audio system?
Users often consult our technicians, how to deal with left and right channels imbalance? This is ...
What is aptX?
CSR aptX audio coding technology replaces the standard audio codec Bluetooth employs for streamin...
New trends of HIFI digital audio development
Lossless compression music - APE, FLAC ......, etc., according to rate 1/2 CD compressed files fo...
HIFI Bluetooth transistor (integrated amplifier IC) power amplifiers hit market
Those you don’t know benefits of HIFI music
Research shows that music has a magical effect and huge influences, which is a language, is an or...
Music Compression Format and Acoustics
Lossless is the compression type most favored by audiophiles because like the name implies, it do...
Common Formats of Music Compression
Bluetooth Audio Amplifier is becoming more and more popular as an digital and wireless mobile dev...